Circuit intégré 7402
Le circuit intégré 7402 fait partie de la série des circuits intégrés 7400 utilisant la technique TTL.

Circuit intégré 7402 (Fairchild Semiconductor 9N02 / 7402)

Die d'un 54LS02
Ce circuit est composé de quatre portes logiques indépendantes NON-OU à deux entrées.
Brochage

Brochage des boîtiers DIP
(vue du dessus)
(vue du dessus)
Table de vérité
| Entrées | Sortie | |
|---|---|---|
| A | B | Y |
| 0 | 0 | 1 |
| 0 | 1 | 0 |
| 1 | 0 | 0 |
| 1 | 1 | 0 |
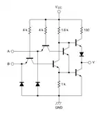
Schéma interne
Schéma d'une porte du circuit SN7402 (TTL standard) de Texas Instruments.
Schéma d'une porte du circuit SN74L02 (TTL Low-power) de Texas Instruments.
Schéma d'une porte du circuit SN74LS02 (TTL Low-power Schottky) de Texas Instruments.
Schéma d'une porte du circuit SN74S02 (TTL Schottky) de Texas Instruments.
Voir aussi
Références
- Documentation du circuit intégré
- (en) Spécifications des circuits S5402/N7402, Signetics Digital 54/7400 Data Book, 1972
Liens internes
- Portail de l’électricité et de l’électronique
Cet article est issu de Wikipedia. Le texte est sous licence Creative Commons – Attribution – Partage à l’identique. Des conditions supplémentaires peuvent s’appliquer aux fichiers multimédias.



