Circuit intégré 7404
Le circuit intégré 7404[1],[2] fait partie de la série des circuits intégrés 7400 utilisant la technique TTL.

Ce circuit est composé de six portes logiques indépendantes inverseuses NON.
Brochage

(vue du dessus)
Table de vérité
| Entrée | Sortie |
|---|---|
| A | Y |
| 0 | 1 |
| 1 | 0 |
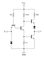
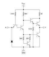
Schéma interne
Performances
Vitesse
L'inverseur logique étant une porte élémentaire, les temps de propagation des signaux logiques entre les entrées et la sortie sont proches des minima réalisables dans chacune des séries TTL considérées.

| Circuit | tPLH (ns) | tPHL (ns) | Conditions RL / CL | ||
|---|---|---|---|---|---|
| typ. | max. | typ. | max. | ||
| SN54/7404 | 12 | 22 | 8 | 15 | 400 Ω / 15 pF |
| SN54/74H04 | 6 | 10 | 6,5 | 10 | 280 Ω / 25 pF |
| SN54L04 | 35 | 60 | 31 | 60 | 4 kΩ / 50 pF |
| SN54/74LS04 | 9 | 15 | 10 | 15 | 2 kΩ / 15 pF |
| SN54/74S04 | 3 | 4,5 | 3 | 5 | 280 Ω / 15 pF |
| 4,5 | – | 5 | – | 280 Ω / 50 pF | |
(D'après Texas Instruments[2].)
| Notes : |
|---|
|
Valeurs mesurées à TA = 25 °C (température ambiante) et VCC = 5 V |
Consommation de courant
| Circuit | ICCH | ICCL | Unité | ||
|---|---|---|---|---|---|
| typ. | max. | typ. | max. | ||
| SN54/7404 | 6 | 12 | 18 | 33 | mA |
| SN54/74H04 | 16 | 26 | 40 | 58 | mA |
| SN54L04 | 0,33 | 1,2 | 1,74 | 3,06 | mA |
| SN54/74LS04 | 1,2 | 2,4 | 3,6 | 6,6 | mA |
| SN54/74S04 | 15 | 24 | 30 | 54 | mA |
(D'après Texas Instruments[2].)
| Notes : |
|---|
|
ICCH : courant d'alimentation, sorties à l'état haut |
Références
- (en) Spécifications des circuits S5404/N7404, Signetics Digital 54/7400 Data Book, 1972
- (en) The TTL Data Book Vol. 2 Texas Instruments 1985
Voir aussi
Liens internes
- Portail de l’électricité et de l’électronique


