Gilbert Vernam
Gilbert Sandford Vernam ( - ) était un ingénieur diplômé de l'Institut polytechnique de Worcester en 1914 et ingénieur de AT&T Bell Labs qui, en 1917, a inventé un code de flux polyalphabétique additif et a co-inventé un algorithme automatisé.
Biographie
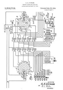
Vernam a proposé un chiffrement télé-imprimé dans lequel une clé préalablement préparée, conservée sur bande de papier, est combinée caractère par caractère avec le message en texte clair pour produire le texte chiffré. Pour déchiffrer le texte chiffré, la même clé serait de nouveau combinée caractère par caractère, produisant le texte en clair. Vernam a ensuite travaillé pour la Postal Telegraph Company et est devenu un employé de Western Union en 1943. Son travail ultérieur a porté principalement sur les systèmes de commutation automatique pour les réseaux télégraphiques.

Liens externes
- « 1960: Inventor Gilbert Vernam died », sur cryptologicfoundation.org
- Portail des technologies