Imogolite
L'imogolite est un minéral de la famille des aluminosilicates hydratés (groupe des minéraux argileux), de formule chimique Al2SiO3(OH)4.
| Imogolite Catégorie IX : silicates[1] | |
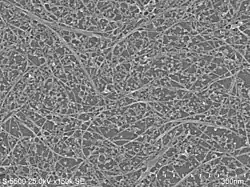
Nanotubes d'imogolite synthétique. | |
| Général | |
|---|---|
| Classe de Strunz | 9.ED.20
|
| Formule chimique | Al2SiO3(OH)4 |
| Identification | |
| Couleur | Blanc ou transparent |
| Échelle de Mohs | 1,5 - 2 |
| Propriétés optiques | |
| Biréfringence | L'imogolite est un cristal liquide à forte concentration dans l'eau |
| Propriétés chimiques | |
| Densité | 2-2,7 |
| Unités du SI & CNTP, sauf indication contraire. | |
Découverte
L'imogolite a été découverte en 1962 dans la préfecture de Kumamoto (île de Kyūshū, Japon), dans des sols formés par l'altération de cendres volcaniques[2]. Le nom a été formé à partir du mot japonais イモゴ (imogo) qui désigne ces sols volcaniques jaune-brunâtre.
Les minéraux associés à l'imogolite sont l'allophane, le quartz, la cristobalite, la gibbsite, la vermiculite et la limonite.
Structure
La structure atomique de l'imogolite a été publiée en 1972[3]. Elle confère à l'imogolite une forme tubulaire bien définie avec un diamètre monodisperse d'environ 2 nm. Ainsi, l'imogolite peut-être considérée comme une nanoparticule naturelle ou encore un nanominéral.
L'imogolite a une structure nanotubulaire constituée d'une couche octaédrique d'aluminium à l'extérieur du tube, et d'une couche tétraédrique de silicium à l'intérieur. Contrairement à la plupart des minéraux argileux, la couche tétraédrique n'est pas constituée d'un ensemble de silicium partageant des liaisons Si-O-Si. Les atomes de silicium sont liés à la couche octaédrique par trois liaisons Si-O-Al et sont isolés les uns des autres. Cette structure locale très particulière est aisément reconnaissable par spectroscopie RMN du silicium[4].
Synthèse
Une imogolite analogue à l'imogolite naturelle a été synthétisée en laboratoire en 1977[5], bien avant les nanotubes de carbone en 1990. Depuis, de nombreuses modifications de la structure et de la composition des imogolites synthétiques ont été obtenues en laboratoire.
En 1982 on a réalisé une synthèse dans laquelle les atomes de silicium sont substitués par des atomes de germanium[6], obtenant de nouveaux nanotubes analogues aux imogolites, les Ge-imogolites. Depuis, de nombreux protocoles ont été développés afin de synthétiser des Ge-imogolites en grande quantité[7], de faire varier la forme (simple ou double paroi)[8], leur longueur (micrométrique ou nanométrique)[9], leur cristallinité (structure lacunaire)[10]. Ces Ge-imogolites de caractéristiques variables et synthèse contrôlée ont permis de grandes avancées dans la compréhension des mécanismes de formation des imogolites, la recherche de nouvelles propriétés ou l'étude (éco)toxicologique des nanomatériaux.
En 2011, une imogolite hybride ayant une cavité recouverte de groupement a été obtenu à l'université polytechnique de Turin[11].
Des nanotubes d'imogolite dopés au fer ont également été synthétisés pour les tubes silicium[12],[13], germanium[14] et hybrides[15].
Notes et références
- La classification des minéraux choisie est celle de Strunz, à l'exception des polymorphes de la silice, qui sont classés parmi les silicates.
- (en) Naganori Yoshinaga et Shigenori Aomine, « Imogolite in some Ando soils », Soil Science and Plant Nutrition, vol. 8, , p. 22-29 (DOI 10.1080/00380768.1962.10430993).
- (en) P.D.G. Cradwick, V.C. Farmer, J.D. Russel, C.R. Masson, K. Wada et N. Yoshinaga, « Imogolite, a hydrated aluminium silicate of tubular structure », Nature Physical Science, vol. 240, , p. 187-189
- (en) P.F. Baron, M.A. Wilson, A.S. Campbell et R.L. Frost, « Detection of imogolite in soils using solid state 29Si NMR », Nature, vol. 299, , p. 616-618
- (en) V.C. Farmer, A.R. Fraser et J.M. Tait, « Synthesis of imogolite: a tubular aluminium silicate polymer », J. Chem. Soc. Chem. Commun., , p. 462-463
- (en) Shin-ichiro Wada et Koji Wada, « Effects on substitution of germanium for silicon in imogolite », Clays and Clay Minerals, vol. 30, , p. 123–128 (ISSN 0009-8604 et 1552-8367, lire en ligne, consulté le )
- (en) Clément Levard, Jérôme Rose, Armand Masion et Emmanuel Doelsch, « Synthesis of Large Quantities of Single-Walled Aluminogermanate Nanotube », Journal of the American Chemical Society, vol. 130, , p. 5862–5863 (DOI 10.1021/ja801045a, lire en ligne, consulté le )
- (en) Perrine Maillet, Clément Levard, Eric Larquet et Clarisse Mariet, « Evidence of Double-Walled Al−Ge Imogolite-Like Nanotubes. A Cryo-TEM and SAXS Investigation », Journal of the American Chemical Society, vol. 132, , p. 1208–1209 (DOI 10.1021/ja908707a, lire en ligne, consulté le )
- (en) Mohamed-Salah Amara, Erwan Paineau, Maria Bacia-Verloop et Marie-Eve M. Krapf, « Single-step formation of micron long (OH)3Al2O3Ge(OH) imogolite-like nanotubes », Chemical Communications (Cambridge, England), vol. 49, , p. 11284–11286 (ISSN 1364-548X, PMID 24153223, DOI 10.1039/c3cc46839a, lire en ligne, consulté le )
- (en) C. Levard, A. Masion, J. Rose et E. Doelsch, « Synthesis of Ge-imogolite: influence of the hydrolysis ratio on the structure of the nanotubes », Physical chemistry chemical physics: PCCP, vol. 13, , p. 14516–14522 (ISSN 1463-9084, PMID 21750786, DOI 10.1039/c1cp20346k, lire en ligne, consulté le )
- (en) Ilaria Bottero, Barbara Bonelli, Sharon E. Ashbrook, Paul A. Wright, Wuzong Zhou, Marco Tagliabue, Marco Armandia and Edoardo Garronea, « Synthesis and characterization of hybrid organic/inorganic nanotubes of the imogolite type and their behaviour towards methane adsorption », Physical Chemistry Chemical Physics, , vol 13, pages 744-750 (lire en ligne)
- (en) Masashi Ookawa, Yoshihiko Inoue, Masako Watanabe, Masaya Suzuki and Tsutomu Yamaguchi, « Synthesis and Characterization of Fe Containing Imogolite », Clay Science, , vol 12, page 280-284 (lire en ligne)
- (en) Ehsan Shafia, Synthesis and Characterization Of Fe-modified Imogolite Nanotubes, 167 p. (lire en ligne)
- (en) A. Avellan, C. Levard, N. Kumar, J. Rose, L. Olivi, A. Thill, P. Chaurand, D. Borschneck et A. Masion, « Structural incorporation of iron into Ge–imogolite nanotubes: a promising step for innovative nanomaterials. », RSC Advances, no 4, , p. 49827-49830 (DOI 10.1039/C4RA08840A, lire en ligne)
- (en) Elnaz Bahadori, Vincenzo Vaiano, Serena Esposito, Marco Armandi, Diana Sannino and Barbara Bonelli, « Photo-activated degradation of tartrazine by H2O2 as catalyzed by both bare and Fe-doped methyl-imogolite nanotubes », Catalysis Today, (lire en ligne)
Voir aussi
Bibliographie
- (en) Jon Petter Gustafsson, Erik Karltun et Prosun Bhattacharya, Allophane and imogolite in Swedish soils or why small, previously unknown, fibres influence the water quality in forests, Stockholm, Royal Institute of Technology (KTH), coll. « Trita-AMI. » (no 3046),
- (en) Peng Yuan, Nanosized Tubular Clay Minerals: Halloysite and Imogolite, Elsevier, coll. « Developments in Clay Science » (no 7), (ISBN 978-0-08-100293-3)
Articles connexes
Liens externes
- (en) « Imogolite », sur Mindat.org (consulté le )
- (en) « Imogolite Mineral Data », sur Webmineral (consulté le )
- Portail des minéraux et roches
- Portail de la chimie
