Mélangeur (électronique)
Un mélangeur est un circuit permettant de combiner plusieurs signaux électriques contenant des informations différentes.
Audiovisuel
En technique audio et vidéo, un mélangeur est un appareil à plusieurs entrées, dont le signal de sortie est la somme pondérée de signaux à ses entrées. Quand il traite des signaux audio et qu'il permet des interventions humaines, on l'appelle plutôt console de mixage. En vidéo on parle de mélangeurs[1].
Les mélangeurs traitent les signaux analogiques ou numériques.
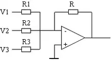
Mélangeur sommateur

En électronique analogique, un mélangeur est un circuit à deux ou plusieurs entrées, dont la tension de sortie est la somme pondérée des tensions appliquées à ses entrées. Ce circuit est l'élément minimal d'une console de mixage ou d'un mélangeur vidéo analogique.
où Vs est la tension alternative instantanée de sortie, V1, V2, V3… les tensions alternatives instantanées appliquées aux entrées 1, 2 , 3… ; a, b, c… sont des coefficients constants, qui peuvent être égaux ou différents.
Un mélangeur se réalise de façon optimale par un circuit dont l'entrée est en courant (impédance aussi basse que possible) et la sortie proportionnelle au courant entrant, chaque source contribuant selon son impédance de sortie. L'entrée en courant garantit que les sources ne réagissent pas les unes sur les autres : leur point commun est toujours à zéro en tension.
Un amplificateur opérationnel idéal possède un gain infini, une impédance d'entrée infinie et une impédance de sortie nulle. Si l'on raccorde la sortie à l'entrée inverseuse et l'entrée non inverseuse à la masse, on garantit que la différence de potentiel entre les entrées est nulle, puisqu'en la multipliant par le gain, on arrive à une tension de sortie finie. L'impédance d'entrée, quotient de cette différence de potentiel par l'intensité, est donc infinie. L'impédance d'entrée étant infinie, tout le courant d'entrée passe par la résistance de bouclage R, et la chute de tension produit un signal inversant la somme des courants d'entrée.
Dans ce montage inverseur, le quotient de la tension d'entrée Vn par la résistance Rn détermine le courant qui vient de l'entrée n s'ajouter à celui des autres entrées et va traverser la résistance R et donner le signal de sortie :
Autrement dit, le rapport de la valeur des résistances R1, R2, R3… à celle de la résistance de contre-réaction R détermine le courant le coefficient du signal de chaque entrée.
En général, ce coefficient est égal pour toutes les sources, dont on fait varier le niveau par un potentiomètre suivi d'un tampon. Des amplificateurs intégrés spéciaux, dits à transconductance[2] ou à transadmittance[3], dont le courant de sortie est proportionnel à la tension d'entrée, permettent d'effectuer la somme directement sur une entrée à basse impédance. Ces circuits peuvent être symétriques dans une grande console de mixage.
Mélangeur multiplieur

En techniques radio, TV, etc. on nomme mélangeur un circuit, plus proprement appelé multiplieur[4], auquel on applique deux tensions d'entrée, V1 et V2. La tension de sortie est le produit et non la somme des tensions d'entrée.
Si V1 et V2 sont des signaux sinusoïdaux de fréquences F1 et F2,
on retrouve ainsi dans le signal de sortie des composantes à des fréquences somme et différence de celles de l'entrée, dont les amplitudes sont proportionnelles au produit des amplitudes des signaux d'entrée. Les fréquences F1 et F2 disparaissent.
Si le signal V1 est un signal modulé, dont le spectre est composé de deux bandes latérales, on retrouve ces bandes décalées en fréquence. Le mélangeur sert généralement à décaler le spectre d'entrée, soit vers une fréquence plus élevée, pour faciliter l'amplification (modulation), soit vers une fréquence plus basse (démodulation), soit détecter l'écart de phase entre F1 et F2 si ces fréquences sont très proches. Un filtre élimine les composantes inutiles.
La Modulation d'amplitude MA avec porteuse va utiliser ce type de mélangeur, en sortant F1 - F2 et F1 + F2 , mais avec en plus une unique raie à la fréquence porteuse F2, ce qui facilite grandement la démodulation au détriment du rendement énergétique. Ceci est obtenu en additionnant une composante continue Vdc (Offset) sur la fréquence F2.
Le mélangeur, qu'on peut appeler dans ce cas mélangeur de fréquence[5] ou changeur de fréquence[6] est un élément-clé de la structure de récepteur dit superhétérodyne ; celle-ci est utilisée dans les récepteurs de radiodiffusion, de télévision, de communications satellites (GPS, GSM...), dans les radars, CB, etc.
Multiplieur symétrique et équilibré
Les multiplieurs peuvent être réalisés avec différents composants : tubes, transistors JFET ou bipolaires, diodes. Dans tous les cas, c'est la non-linéarité de la caractéristique tension de commande / courant de sortie qui est utilisée pour obtenir l'effet désiré.
Dans de nombreuses applications le mélangeur est réalisé avec un seul élément actif, et l'on élimine toutes les composantes indésirables à l'aide d'un filtre passe-bande.
Toutefois, le filtrage est difficile dans certaines applications, quand les fréquences sont trop proches.
Le mélangeur symétrique utilise deux éléments actifs (souvent des JFET) attaqués par des signaux déphasés. Il permet d'éliminer une des fréquences d'entrée.
Le mélangeur équilibré utilise 4 éléments actifs (souvent des diodes appariées) et il permet d'éliminer les deux fréquences d'entrée, ne laissant donc que les composantes « somme » et « différence ».
Voir aussi
Articles connexes
Notes et références
- Commission électrotechnique internationale, « Diffusion audiovisuelle: son, télévision, données », dans IEC 60050 - Vocabulaire électrotechnique international, (lire en ligne), p. 723-02-09 « mélangeur (de signaux de programme).
- Par exemple (en) « NE5517, NE5517A, AU5517 : Dual Operational Transconductance Amplifier » (consulté le ).
- Bogdan Grabowski, Fonctions de l'électronique, Paris, Dunod, , p. 26
- Michel Fleutry, Dictionnaire encyclopédique d'électronique anglais-français, La maison du dictionnaire, (ISBN 2-85608-043-X), p. 546.
- Commission électrotechnique internationale, « Dispositifs électriques et magnétiques : dispositifs électriques particuliers », dans IEC 60050 - Vocabulaire électrotechnique international, (lire en ligne), p. 151-13-69 « mélangeur (de fréquences).
- Fleutry 1991, p. 525.
- Portail de l’électricité et de l’électronique