Magnétomètre
Un magnétomètre est un appareil qui sert à mesurer selon les cas l'intensité ou la direction d’un champ magnétique, ou l'aimantation d'un échantillon. Il repose sur un élément sensible au champ magnétique : le capteur de champ magnétique qui, lorsqu'il est associé à un dispositif électronique, permet d'extraire la mesure du champ magnétique. Il en existe différents types, basés sur des principes physiques différents.
Les magnétomètres sont principalement utilisés dans le cadre d’études géologiques et la détection d’anomalies magnétiques ou d’objets ferreux. Ils peuvent ainsi avoir un usage militaire, en permettant la détection de sous-marins par exemple. Au cours des dernières années, les magnétomètres ont été miniaturisés au point d’être intégrés en tant que boussole à l'intérieur des téléphones mobiles et des GPS.
Introduction
Mesure du champ magnétique
Le champ magnétique est une grandeur vectorielle caractérisée à la fois par sa norme, sa direction et son sens. L'intensité d’un champ magnétique est mesurée en tesla (T) dans le système SI ou en gauss (G) dans le système CGS, un tesla étant égal à 10 000 Gauss[1].
Les mesures du champ magnétique terrestre sont généralement données en nanotesla (nT), également appelé gamma[2]. Un aimant d’IRM pouvant aller jusqu’à 3 teslas, alors que les fluctuations et anomalies du champ magnétique terrestre sont comprises entre 1 pT et 100 nT, les besoins en termes de mesure sont très différents selon que l’on veuille mesurer des champs magnétiques forts ou faibles.
On distingue donc deux grandes catégories de capteurs de champ magnétique : les magnétomètres, pour les mesures de champs inférieurs à 1 mT, et les gaussmètres, qui mesurent des champs supérieurs à 1 mT[1].
Histoire du magnétomètre
Pendant les années 1830, Carl Friedrich Gauss, alors directeur de l’Observatoire Géomagnétique de Göttingen, s’intéresse aux propriétés du champ magnétique terrestre, qu'on étudie depuis la fin des années 1600 à l'Observatoire de Paris à l'aide de différentes boussoles (de déclinaison, d'inclinaison, de variation et d'intensité). En 1833, il publia un article dans lequel il décrit un tout nouvel instrument constitué d’une barre métallique aimantée attachée à des fils d’or permettant, grâce à ses oscillations, de mesurer le champ magnétique terrestre. Il invente donc le premier magnétomètre. Le Gauss, unité de mesure du champ magnétique dans le système CGS, a ainsi été nommé en son honneur[3].
Dans les années 1900, le physicien Nikola Tesla fait quelques améliorations sur le magnétomètre de Gauss afin de pouvoir déplacer le magnétomètre selon un mouvement circulaire. Les innovations de Tesla, y compris son magnétomètre, ont été amenées avec lui aux États-Unis, où il a collaboré, vendu et partagé beaucoup de ses idées avec l'industriel George Westinghouse.
Après les améliorations de Tesla sur la conception du magnétomètre, de nombreux scientifiques se sont intéressés à l'invention d'un magnétomètre qui pourrait être utilisé pour mesurer le champ magnétique terrestre à partir d'un avion. Les scientifiques de l'URSS ont commencé à travailler sur le concept en 1915 et conçu un prototype en 1936. Ce magnétomètre n’était pas très sensible, ce qui le rendait peu pratique à utiliser. Une équipe de chercheurs de la Marine américaine a créé un magnétomètre qui pourrait être utilisé pour détecter les sous-marins à partir d'avions en 1943, et en 1946, Hans Lundberg utilise leurs conceptions pour créer le premier magnétomètre capable de mesurer les champs magnétiques terrestres à partir d'un hélicoptère.
Au cours des années 1950, deux nouveaux types de magnétomètres ont été inventés aux États-Unis. Le premier était le magnétomètre à résonance nucléaire qui a été produit par Varian Associates. Ce type de magnétomètre mesure le déplacement de molécules dans un liquide induit par une variation du champ magnétique. Le deuxième type est le magnétomètre fluxgate. Ce type de magnétomètre utilise trois supports tournant autour d'un point fixe. L'un suit le champ magnétique de la Terre tandis que les deux autres sont utilisés pour mesurer le champ magnétique issu d'autres objets.
Durant les décennies suivantes, les magnétomètres ont commencé à être utilisés dans le domaine des sciences. En 1963, les scientifiques Baule et McFee créent un magnétomètre pour enregistrer les battements du cœur humain. En 1968, cette même technologie a été utilisée pour enregistrer l'activité du cerveau, pour la toute première fois. En 1969, Cohen perfectionne son invention, et ses recherches continuent dans les années 1990. Chaque innovation conduit à un magnétomètre plus sensible, conduisant à la technologie utilisée dans les hôpitaux et les installations de tests de diagnostic actuelles. On peut ainsi déterminer comment un cœur humain fonctionne et prendre des photos détaillées du cerveau pour localiser les tumeurs ou diagnostiquer les causes de symptôme tels que des convulsions ou une perte de mémoire.
Caractéristiques d’un magnétomètre
Un magnétomètre est caractérisé par[4] :
- sa sensibilité (en V/T) ;
- sa résolution (en T) ;
- son bruit équivalent en champ magnétique (en T/√Hz) ;
- son erreur absolue ;
- sa linéarité ;
- son étendue de mesure ;
- sa directivité ;
- sa bande passante, c’est-à-dire sa capacité à capter de rapides changements de champ magnétique ;
- sa stabilité thermique (en T/°C) ;
- la tolérance en gradient, c’est-à-dire sa capacité à effectuer une mesure fiable en présence d’un gradient de champ magnétique.
Pour étalonner un magnétomètre, on utilise généralement des bobines de Helmholtz.
Les familles de magnétomètres
Une grande variété de magnétomètres existe, du fait qu'un champ magnétique peut interagir de différentes manières avec un système physique.
Cette interaction peut prendre la forme d'une force ; on mesurera alors le champ magnétique par le biais de son moment. On retrouve ainsi une grande famille de magnétomètres, les magnétomètres torque, nommés ainsi d'après le terme anglais signifiant « moment ».
On peut également mesurer un champ magnétique grâce à son interaction avec un système électronique, avec les magnétomètres à effet Hall, les fluxgate et les SQUID.
Enfin, les photons interagissant avec la matière aimantée, on pourra se servir de l'effet Zeeman, de l'effet Kerr ou encore de l'effet Faraday pour mesurer un champ magnétique.
Les gaussmètres
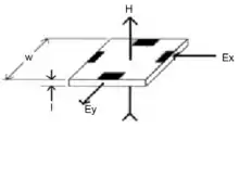
Capteur à effet Hall[1]
Le capteur à effet Hall, qui est probablement le capteur le plus familier et le plus largement utilisé pour mesurer de forts champs magnétiques, est basé sur la découverte de l'effet Hall par Edwin H. Hall en 1879. L'effet Hall est une conséquence de la loi de la force de Lorentz, qui stipule que lorsqu'une charge mobile q est soumise à une induction magnétique , elle ressent alors une force perpendiculaire à :
où est le champ électrique et la vitesse de la charge. Le capteur à effet Hall est plat, mince et rectangulaire. Il est constitué d'un conducteur ou semi-conducteur. Deux paires d'électrodes sont placées de part et d'autre de ses côtés comme illustré.

Un champ électrique est appliqué le long de l'axe x. Quand un champ magnétique est appliquée perpendiculairement à la surface du dispositif, les charges libres circulant le long de l'axe x sont déviées vers l'axe y qui est l'axe de tension de Hall. Comme le courant ne peut pas circuler dans l'axe y, cela provoque une accumulation de la charge le long de cet axe qui crée un champ électrique qui produit une force d'opposition au mouvement des charges :
où est la vitesse moyenne de dérive des électrons (ou porteurs majoritaires). Dans un conducteur qui contient n charges libres par unité de volume ayant une vitesse de dérive moyenne de , la densité de courant est :
et
où Rh est le coefficient de Hall.
En introduisant la mobilité µ et la conductivité σ du semi-conducteur, on obtient :
Donc
La valeur de Rh varie sensiblement d'un matériau à l'autre et dépend à la fois de la température et de l'amplitude du champ mesuré. Ses caractéristiques peuvent être contrôlées dans une certaine mesure par dopage du matériau de base avec quelques impuretés. Par exemple, le dopage à l'arsenic ou au germanium peut réduire la dépendance en température au détriment de la sensibilité.
Le courant de commande typique pour les dispositifs à effet Hall est de 100 mA, mais certains fonctionnent à des courants plus faibles, de l'ordre de 1 mA. Les sensibilités varient de 10 mV/T à 1,4 V/T. Le capteur est généralement petit (de l'ordre de 10 mm2 de 0,5 mm d'épaisseur), et une version à trois axes peut être logé dans une petite boîte. Ces dispositifs sont très efficaces pour la mesure de champ magnétique allant de 50 mT à 30 T.
Les magnétomètres
Scalaires
Les magnétomètres scalaires mesurent l'amplitude du vecteur de champ magnétique en exploitant les propriétés nucléaires et atomiques de la matière. Lorsqu'ils sont utilisés dans de bonnes conditions, ces instruments ont une très grande résolution, une excellente précision et ne sont pas sensibles à l'orientation du champ mesuré. Ces appareils exigent que le champ magnétique soit uniforme dans tout le volume de détection. Ils ont une gamme limitée de mesure de l'amplitude du champ magnétique : typiquement de 20 µT à 100 µT. Ces capteurs n'étant pas sensibles à l'orientation du champ, il faut prendre des précautions vis-à-vis de la position du capteur pour réaliser une mesure. Les deux magnétomètres scalaires les plus largement utilisés sont le magnétomètre à résonance de protons et le magnétomètre à pompage optique.
Magnétomètre à résonance de protons

Le magnétomètre à résonance de protons utilise un champ magnétique fort pour polariser les protons dans un hydrocarbure et détecte alors la fréquence de résonance des protons due à la résonance magnétique nucléaire (RMN) une fois le champ de polarisation éteint. La fréquence de résonance est proportionnelle à l'amplitude de tout champ magnétique ambiant présent après la suppression du champ de polarisation. Cet échantillonnage de l'amplitude du champ magnétique donne au magnétomètre à résonance de protons une réponse très lente. Les fréquences maximums sont seulement de quelques échantillons par seconde. En raison de sa dépendance à l'égard des constantes atomiques, le magnétomètre à résonance de protons est l'étalon primaire pour les systèmes calibrés utilisés pour générer des champs magnétiques et calibrer les magnétomètres.
Magnétomètre à pompage optique
Le magnétomètre à pompage optique est basée sur l'effet Zeeman. En 1896, Pieter Zeeman a découvert que l'application d'un champ magnétique sur des atomes qui émettent ou absorbent la lumière provoque la division des raies spectrales atomiques en un ensemble de nouvelles raies spectrales qui sont beaucoup plus rapprochées que les lignes normales. L'énergie associée aux intervalles de fréquences entre les nouvelles raies spectrales dites « hyper-fines » est proportionnelle à l'amplitude du champ magnétique appliqué. Ces niveaux d'énergie représentent les seuls états possibles d'énergie accessible pour l'atome. Le magnétomètre à pompage optique exploite cette caractéristique en stimulant optiquement les atomes pour produire un état d'énergie surpeuplé dans l'une des raies spectrales « hyper-fines ». En utilisant un champ magnétique RF (fréquence radio), on dépeuple cet état d'énergie. La fréquence RF nécessaire pour dépeupler l'état d'énergie est égale à la différence spectrale des raies hyperfines produites par un champ magnétique et, par conséquent, est proportionnelle à l'intensité du champ magnétique. Le magnétomètre à pompage optique peut être utilisé pour échantillonner le champ magnétique à un taux beaucoup plus élevé que le magnétomètre à résonance de protons et peut généralement atteindre une meilleure résolution. Le taux d'échantillonnage et la résolution de l'instrument sont interdépendants. Le magnétomètre à pompage optique fut inventé en France à la suite des travaux de Jean Mosnier, d'Yves Rocard et d'Alfred Kastler.
Vectoriels
Les magnétomètres vectoriels permettent une mesure du champ magnétique suivant une direction physique. Il existe plusieurs méthodes pour mesurer le champ magnétique avec ces appareils.
- Des boussoles Fluxgate sont fréquemment réalisées avec 3 fluxgates montés perpendiculairement les uns aux autres. Ce dispositif permet de déterminer la direction dans l'espace du champ magnétique B.
- On peut mesurer le champ magnétique B avec un magnétomètre à induction magnétique en rotation. Celui-ci tourne à une vitesse connue autour d'un axe. Cette technique renseigne la direction de B sur le plan de rotation.
Magnétomètre à induction magnétique

Le magnétomètre à induction magnétique ou fluxmètre est un des plus simples appareils de mesure de champ magnétique. Il repose sur la loi de Faraday. Cette loi stipule que si une spire est sujette à un champ magnétique variable Φ, une fem e(t) est alors induite dans cette spire, proportionnelle à la vitesse de variation du flux magnétique.
Pour un champ d'induction magnétique spatialement uniforme donné, une spire de surface S aura une fem induite :
L'équation stipule qu'un changement temporel de B ou de l'orientation mécanique de la surface S par rapport à B produit une tension aux bornes du solénoïde. Si la bobine reste fixe par rapport à B, les champs statiques ne peuvent pas être détectés, mais si la bobine est mise en rotation, il est alors possible de mesurer un champ statique. La relation précédente est exploitée dans de nombreux magnétomètres.
La figure ci-contre montre les deux configurations de bobine d'induction plus courantes pour mesurer l'intensité de champ : la bobine à noyau d'air ou noyau de métal. Le principe de fonctionnement est le même pour les deux configurations. En posant B = µ0 µe H, en supposant que la bobine de n spires est fixe par rapport au vecteur de champ, la tension aux bornes de la bobine devient :
où n est le nombre de spires de la bobine, µ0 la perméabilité du vide, µe la perméabilité relative du noyau. Le noyau d'une bobine est normalement constitué d'un matériau magnétiquement « doux ». Avec un noyau d'air, la perméabilité relative effective est de 1. La perméabilité relative d'une bobine d'induction qui contient un noyau est généralement beaucoup plus grande que 1.
Magnétomètre fluxgate[1]

Le magnétomètre à saturation a été et est le cheval de bataille des instruments de mesure d'intensité de champ magnétique à la fois sur Terre et dans l'espace. Il est robuste, fiable, petit, et nécessite très peu d'énergie pour fonctionner.
Ses caractéristiques, ainsi que sa capacité à mesurer les composantes du vecteur de champs magnétiques sur une plage de 0,1 nT à 1 mT, pour des champs constants ou variant à des fréquences allant jusqu'à plusieurs kHz. Ce qui en fait un instrument très polyvalent.
Le fluxgate est un transducteur qui convertit un champ magnétique en une tension électrique.

Le noyau de l'anneau fluxgate est construit à partir d'un mince ruban de matériau ferromagnétique facilement saturable. Le ruban est généralement constitué de permalloy, un alliage de fer et de nickel. Comme représenté sur la figure, un courant alternatif est appliqué à travers ce matériau par des lignes électriques d'excitation. Ce courant alternatif crée un champ magnétique qui circule autour du noyau magnétique. Ce champ magnétique provoque un flux dans le matériau ferreux qui va se retrouver saturé périodiquement. Une bobine de mesure est enroulée autour de l'extérieur du ruban.
Tant que le noyau est non saturé, il maintient une perméabilité moyenne beaucoup plus grande que celle de l'air. Quand le noyau est saturé, sa perméabilité devient égale à celle de l'air.
S'il n'y a pas de composante de champ magnétique le long de l'axe, le changement de flux vu par l'enroulement est égal à zéro.
Si une composante de champ magnétique est présente le long de l'axe, à chaque fois que la saturation du noyau change, le flux dans ce noyau change d'un niveau bas à un niveau haut.
Selon la loi de Faraday, un flux changeant produit une tension proportionnelle à ce flux. Pour des champs magnétiques continus ou de basse fréquence, la tension mesurée est:
Cette tension est mesurée grâce à la bobine de mesure enroulée autour du ruban de permalloy.
Magnétomètre SQUID

En 1962, alors qu'il était étudiant de troisième cycle à l'Université de Cambridge, Brian D. Josephson a prédit qu'un courant supraconducteur peut circuler entre deux supraconducteurs qui sont séparés par une mince couche d'isolant.
La figure illustre la structure générale d'une jonction Josephson et sa relation courant–tension I(V). Deux supraconducteurs (par exemple du niobium) sont séparés par une couche isolante très mince (par exemple de l'oxyde d'aluminium). L'épaisseur de cette couche est typiquement de l'ordre du nanomètre. Quand la jonction est refroidie en dessous de la température critique d'apparition de la supraconductivité, un courant supraconducteur peut traverser la jonction sans aucune chute de potentiel. Quand le courant dépasse une valeur limite appelée courant critique (noté Ic), une tension non nulle apparaît aux bornes de la jonction, qui devient alors résistive. Ce phénomène, appelé effet Josephson DC, est seulement l'un des effets Josephson.
Un SQUID est une boucle supraconductrice interrompue par deux jonctions Josephson et connectée de sorte que les deux jonctions soient en parallèle. La relation courant–tension de cette boucle est similaire à celle d'une seule jonction, mais son courant critique est une fonction périodique du flux magnétique qui traverse la boucle. Le courant critique est maximal lorsque le flux est multiple entier du quantum de flux Φ0 = h/(2e) ≈ 2,07 × 10−15 Wb. Il est minimal pour des multiples demi-entiers du quantum de flux, soit (n + ½) Φ0, avec n entier.
Les magnétomètres basés sur l'effet Josephson sont appelés Superconducting Quantum Interference Device (SQUID) et sont actuellement les instruments les plus sensibles disponibles pour mesurer l'intensité du champ magnétique. Les magnétomètres SQUID mesurent la variation du champ magnétique d'un certain degré de champ arbitraire; ils ne mesurent pas la valeur absolue du champ. La recherche biomédicale est l'une des applications les plus importantes de magnétomètres SQUID. Les magnétomètres et gradiomètres SQUID (qui permettent de mesurer la variation spatiale du champ magnétique) ont des sensibilités élevées nécessaires pour mesurer les champs magnétiques faibles générés par le corps.
Utilisations concrètes
Les magnétomètres ont une gamme très variée d'applications. Par exemple, la détection et localisation d'anomalies magnétiques permet de détecter des navires coulés, les dangers dans les mines de charbon, les munitions non explosées, les fûts de déchets toxiques, ainsi que d'un large éventail de gisements minéraux. Ils sont aussi utilisés pour faire des moniteurs de rythme cardiaque, des capteurs dans les freins antiblocage, des détecteurs de métaux tels que ceux utilisés sur les plages. En archéologie, le magnétomètre peut être utilisé pour détecter des traces d'activités humaines dans le sol qui ne sont plus visibles à l’œil nu.
La géophysique et l'astrophysique font également un usage important de tels instruments. La prospection pétrolière, la surveillance des volcans en sont des applications typiques. La théorie de la tectonique des plaques a largement été supportée à ses débuts par des mesures sur l'aimantation fossile des roches volcaniques au fond des océans. Les sondes planétaires possèdent aussi ce genre de dispositif afin d'étudier les magnétosphères des planètes.
Selon l'application, les magnétomètres peuvent être déployés dans les vaisseaux spatiaux, les avions, les hélicoptères, remorqués à une distance derrière des quads, descendus dans les trous de forage afin de servir de sonde ou encore remorqués derrière des bateaux.
Étude des aurores
Les magnétomètres permettent de donner une indication de l'activité aurorale avant que la lumière de l'aurore ne devienne visible. Une grille de magnétomètres à travers le monde mesure ainsi en permanence l'effet du vent solaire sur le champ magnétique de la Terre[5].
Recherche
Les magnétomètres sont un instrument de base pour de nombreuses recherches concernant le magnétisme. Ils sont ainsi liés aux études à visée technologique portant par exemple sur le stockage et contrôle de l'information par le magnétisme moléculaire ou quantique, la santé, ou encore l'énergie. Ils sont également utilisés dans la recherche fondamentale, concernant la supraconductivité, le magnétisme des nano-objets ou l'électronique de spin.
Mines et forage
Les magnétomètres sont communément utilisés pour cartographier les risques dans les mines de charbon, comme les intrusions basaltiques (digues, appuis et bouchons volcaniques) qui détruisent les ressources et sont dangereux pour l'équipement minier de grande taille. Ils permettent également de localiser les zones d’impuretés dans le charbon. Les études modernes utilisent généralement les magnétomètres avec la technologie GPS pour enregistrer automatiquement le champ magnétique et son emplacement. L'ensemble des données est ensuite corrigé avec des données provenant d'un second magnétomètre qui est laissé fixe et enregistre les fluctuations du champ magnétique de la Terre au cours de l'enquête[6].
Ils sont également utilisés dans le forage directionnel pour le pétrole ou le gaz. Ils sont le plus souvent couplés avec des accéléromètres de sorte qu’à la fois l’inclinaison et l’azimut de l’outil de forage puissent être trouvés.
Militaire
La marine américaine utilise des réseaux de magnétomètres pour surveiller l'activité de sous-marins. Le « Goldfish » russe (sous-marin de titane) a été conçu à grands frais pour contrecarrer de tels systèmes (le titane pur étant non magnétique)[7]. Les sous-marins militaires échappent à cette détection en passant par de grandes boucles sous-marines à intervalles réguliers, dans le but d’être pris pour une simple anomalie magnétique terrestre. Cependant, les sous-marins ne sont jamais complètement indétectables. Il est même possible de dire la profondeur à laquelle un sous-marin a été en mesurant son champ magnétique, car la pression déforme la coque et donc le champ. Les sous-marins remorquent des sonars pour détecter les navires. Ceux-ci doivent être positionnés avec précision afin qu'ils puissent trianguler la direction de leurs cibles. Les magnétomètres fluxgates peuvent également être utilisés dans les systèmes de navigation des armes, mais ont été largement remplacés par des GPS et systèmes laser.
Des magnétomètres comme le Foerster allemand sont utilisés pour localiser les munitions. Les magnétomètres Césium et Overhauser sont utilisés pour localiser et aider à nettoyer d’anciennes zones de bombardements ou d’essais militaires.
Exploration minérale
Des études magnétométriques sont actuellement réalisées dans le cadre de la détection de certains minerais comme le minerai de fer, la magnétite, l'hématite et la pyrrhotite. Des pays tels que l'Australie, le Canada et les États-Unis investissent pour aider à cartographier les gisements de la planète. Ces études sont généralement classées selon les méthodes de mesure :
- études en vol ;
- forages ;
- fonds marins ;
- étude au sol.
Ces enquêtes sont généralement faites par avion Aéromag (modèle spécifique utilisé en Australie) avec un espacement de ligne de 400 m à 100 m d'altitude, avec des lectures tous les 10 mètres ou plus, ce qui permet d’obtenir des imageries magnétiques précises à 10 m près (2 m près dans le cadre d’une image complétée par des mesures au sol). Les magnétomètres Airborne détectent le changement dans le champ magnétique de la Terre en utilisant des capteurs attachés à l'avion sous la forme d'un « dard » ou en remorquant un magnétomètre à l'extrémité d'un câble. Comme le relief sous l'avion peut influencer la lecture magnétique, un altimètre radar est utilisé pour garder la trace de l'altitude nominale au-dessus du sol. Il peut aussi y avoir une caméra qui prend des photos de la terre. La localisation de la mesure est également déterminée par GPS. Les données Aeromag concernant l’Australie peuvent être téléchargées depuis le lien de GADDS database.
Il y a beaucoup de défis d’interprétation des données. La combinaison de plusieurs sources est mesurée à la surface. La géométrie, la profondeur ou la direction de magnétisation d’une cible est généralement inconnue, ce qui demande des logiciels de traitement et d’interprétation des données particulièrement perfectionnés.
Exploration pétrolière
Les méthodes sismiques sont préférées aux magnétomètres en tant que la méthode d’étude primaire pour l'exploration pétrolière, bien que les méthodes magnétiques puissent donner des informations supplémentaires sur la géologie sous-jacente et sur les traces de fuites.
Les magnétomètres sont également utilisés dans l'exploration pétrolière pour recueillir des informations géologiques pouvant avoir une influence sur le forage et en complément des méthodes électrographiques (mCSEM et mMT) [8],[9],[10].
Téléphonie mobile
Au cours des dernières années, les magnétomètres ont été miniaturisés au point d’être intégrés en tant que boussole à l‘intérieur des téléphones mobiles. Par exemple l'iPhone 3GS possède un magnétomètre : l'AN-203 produit par Honeywell[11]. En 2009, le prix du magnétomètre à trois axes est tombé en dessous de 1 $ US par appareil. Les dispositifs à effet Hall sont aussi très populaires[12].
Des chercheurs de Deutsche Telekom ont utilisé des magnétomètres embarqués dans les appareils mobiles pour permettre une interaction 3D sans contact avec un sujet portant un objet magnétique choisi spécialement pour suivre précisément ses mouvements, par exemple une bague. Le logiciel, appelé MagiTact, suit les modifications du champ magnétique autour d'un téléphone cellulaire pour identifier les différents gestes faits par la main porteuse d’un aimant[13].
Spatial
Le magnétomètre sert en astronautique à connaître et corriger la position d’un satellite par rapport à la Terre. Il est aussi fréquemment embarqué en tant qu’important instrument scientifique, par exemple sur les sondes spatiales Juno, Voyager 1, Aube. Un magnétomètre trois axes fluxgate faisait ainsi partie des missions Mariner 2 et Mariner 10, dans lesquelles il a été utilisé afin de mesurer le champ magnétique interplanétaire[14]. Un magnétomètre faisait partie de la mission Cassini-Huygens d'exploration de Saturne, où il a servi à mesurer le champ magnétique induit par le noyau de Saturne, ce qui a permis aux scientifiques d'en déduire une mesure précise de sa taille. Par la même méthode, on a pu mesurer la taille des noyaux de certaines des lunes de Saturne, comme Encelade[15]. Un magnétomètre est utilisé par les satellites GOES afin de mesurer à la fois l'amplitude et la direction du champ magnétique d'une planète ou de la lune, ainsi que ses fluctuations.
Références
- (en) Steven A Macintyre, « Magnetic field measurement. », sur engineering.dartmouth.edu, .
- (en) « Introduction to Potential Fields: Magnetics ».
- (en) C.F Gauss, « The Intensity of the Earth's Magnetic Force Reduced to Absolute Measurement »,
- (en) D. C. Hovde, M. D. Prouty, I. Hrvoic et R. E. Slocum, Commercial magnetometers and their application, in the book "Optical Magnetometry", Cambridge University Press, (ISBN 978-0-511-84638-0, lire en ligne), pp. 387–405
- (en) « The K-index », sur www.swpc.noaa.gov
- (en) Jared D. et al. Abraham, « Aeromagnetic Survey in Afghanistan: A Website for Distribution of Data »,
- (en) « The application of titanium Navy », Free press release, (lire en ligne).
- Stéphane Sainson, Electrographies de fond de mer. Une révolution dans la prospection pétrolière, Cachan. Ed. Lavoisier 2012
- Stéphane Sainson, La prospection électromagnétique du pétrole sous-marin, Industrie et Technologies n°962, février 2014
- Jean-François Préveraud, Forer jusqu'à la dernière goutte, Industrie et Technologies n°964, avril 2014
- (en) Allan Alasdair, Basic sensors in iOS (1st ed.), Sebastopol, CA, O'Reilly, , 108 p. (ISBN 978-1-4493-1542-9, lire en ligne), Using the magnetometer pp57-70
- (en) Willie D. Jones, « A Compass in Every Smartphone », sur spectrum.ieee.org,
- (en) Hamed Ketabdar, « Interaction with mobile devices based on compass (magnetic) sensor », Proceedings of the 15th international conference on Intelligent user interfaces, , pp 413-414
- P Coleman Jr., L Davis Jr., Smith, E.J et Sonett, C.P, « The Mission of Mariner II: Preliminary Observations – Interplanetary Magnetic Fields », Science, no 138,
- (en) « MAG »
- Portail de la physique