en dérivation
Français
| Cette entrée est considérée comme une ébauche à compléter en français. Si vous possédez quelques connaissances sur le sujet, vous pouvez les partager en modifiant dès à présent cette page (en cliquant sur le lien « modifier le wikicode »). |
Étymologie
- Étymologie manquante ou incomplète. Si vous la connaissez, vous pouvez l’ajouter en cliquant ici.
Locution conjonctive

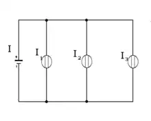
Ici, les 4 éléments du circuit sont en dérivation car les deux bornes de chaque élément sont reliées aux deux bornes de tous les autres éléments.
en dérivation \ɑ̃ de.ʁi.va.sjɔ̃\
- (Électricité) Se dit d'éléments électriques dont les deux bornes sont reliées.
Traductions
Cet article est issu de Wiktionary. Le texte est sous licence Creative Commons – Attribution – Partage à l’identique. Des conditions supplémentaires peuvent s’appliquer aux fichiers multimédias.