Base commune
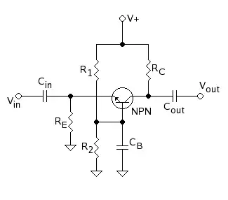
En électronique, une base commune est un type d'amplificateur électronique utilisant un transistor bipolaire. Le terme de base commune vient du fait que l'électrode « base » du transistor est reliée à la masse. Dans cette configuration, le signal d'entrée est appliqué à l'émetteur, le signal de sortie étant récupéré au collecteur.

Ce circuit n'est pas le plus employé en basse fréquence, mais il est souvent utilisé pour les amplificateurs qui exigent une impédance d'entrée exceptionnellement basse, comme les microphones à bobine mobile. Ce circuit est très utilisé dans les amplificateurs à haute fréquence, comme pour la VHF ou l'UHF car sa capacité d'entrée n'est pas accrue par l'effet Miller, responsable de la chute du gain à haute fréquence du montage à émetteur commun. Il est aussi souvent utilisé dans les amplificateurs à plusieurs étages car son courant d'entrée dépend très peu de sa tension de sortie.
Une autre application de ce montage est le « buffer » de courant, le courant d'entrée IE étant quasiment égal au courant de sortie IC.
Caractéristiques en petits signaux

- Remarque
- Les lignes parallèles indiquent que les composants sont disposés en parallèle.
Gain en tension
- Le gain en tension à vide (sans charge, ) est donné par
Résistance d'entrée
On néglige la résistance R1//R2 car en petits signaux le condensateur CB court-circuite R1//R2. En général, et on a donc qui est donc très faible.
Gain en courant
- Le gain en courant en court-circuit () du circuit est donné par
Résistance à la sortie
Les variables non listées sur le schéma sont :
- gm : la transconductance en siemens, calculée grâce à , avec :
- : le courant de polarisation du collecteur,
- est la tension thermique. Elle dépend de la constante de Boltzmann k, de la charge élémentaire q, et de la température T du transistor en kelvins. À température ambiante elle est de 25 mV (cf. Google calculator).
- est le gain en courant à basse fréquence (communément appelé hFE). C'est un paramètre spécifique à chaque transistor. Il est indiqué dans sa fiche technique.
Courant à saturation
Courant collecteur
Tension d'entrée du collecteur
Résistance d'entrée
Résistance d'entrée "prime"
Voir aussi
Articles connexes
- Amplificateur électronique
- Montages amplificateurs :
- Portail de l’électricité et de l’électronique
- (en) Cet article est partiellement ou en totalité issu de l’article de Wikipédia en anglais intitulé « Common base » (voir la liste des auteurs).