Source commune

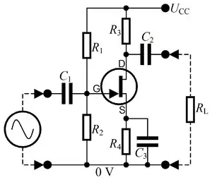
En électronique, un Source commune est un type d'amplificateur électronique utilisant un transistor à effet de champ. Le terme de source commune vient du fait que l'électrode « source » du transistor est reliée au zéro. Le montage en source commune est typiquement utilisé comme amplificateur de tension.

Un amplificateur a source commune

Voir aussi

Liens internes


  • icône décorative Portail de l’électricité et de l’électronique
Cet article est issu de Wikipedia. Le texte est sous licence Creative Commons – Attribution – Partage à l’identique. Des conditions supplémentaires peuvent s’appliquer aux fichiers multimédias.